Umožňuje ovládání nadřazeným systémem se zpětnou vazbou z plničky.
Plinčku je tak možno ovládat např. z řídicího počítače plnicí linky.
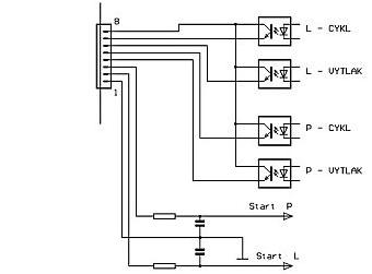
K dispozici jsou signály: start, konec výtlaku a konec cyklu (výtlak + sání).
Slouží k zajištění vyššího počtu naplněných obalů za minutu. Nařazený systém má vždy přesnou informaci, ve které fázi cyklu se plnička nachází.